在大多数生物技术和制药工厂内,生产通常涉及一系列的生物反应器和下游工艺设备。大多数工厂的生物反应器通常采取批次生产模式,在严格受控的条件下,生产规范严格的产品。
为了确保最终产品的质量、一致性和安全性,所有产品能够接触到的表面,应该满足严苛的卫生要求。一个经过有效设计、验证、实施和监控的CIP程序,能够提高清洗效果,确保始终如一的高质量产品的生产。
CIP系统最早可追溯到20世纪50年代的奶制品工业,当时采用人工清洗的方法来清洗日益复杂和高产的设备。
典型的人工清洗方法,包括完全拆解工艺管道系统和机械装置,并使用清洗剂刷洗与产品接触的表面,之后用水清洗再使用消毒剂消毒,并再次用水冲洗,最后重新组装管道系统和设备,该过程劳动强度大且不十分可靠,在生产运行间需要长时间的停工期,工人在工作时往往需要长时间的加班。
与人工清洗方法相比,CIP系统增强了清洗效果和重现性,降低了清洗成本,提高了操作人员安全性。通过自动化和设计良好的监控体系,可以消除人为错误,确保一致性和重现性,从而增强了清洗效果。
在复杂的机器上设计CIP是大势所趋,那么怎么设计一个CIP程序呢?一个标准的CIP程序一般会包括以下几个步骤:
程序起始:这一步是CIP程序的开始,在确定产品生产已经完成后,建立CIP回路边界,并确定液体控制装置(泵、阀门、管路)都可以使用。
产品回收:它是指在生产停止后,立即从容器中移除大量产品,例如通过缓冲液将产品置换出来。这一步是为了降低产品的损失。
预充洗:这一步,目的是在清洗前尽可能多的去除残留的培养液、产品或废料。一般会使用室温下的水或温水。通常可以去除大部分的有机脂肪类,糖类和蛋白类污垢。粘稠的溶液可能需要被刮掉,或是在管路中使用清管器(固体材料制成的塞子,可以推进管道中将产品推出来)
清洗:通常是碱洗或酸洗。这一步的目的是从产品接触的表面上尽可能去除产品污垢和相关微生物。由于需要相对长时间的冲洗,为了实现的操作经济性,需要对清洗溶液进行循环使用。
中间排空:在不同CIP阶段会使用不同的冲洗溶液,常常需要在每个溶液切换时,从CIP回路中移除原溶液来加强不同CIP阶段间的明确过渡。
用水进行再冲洗:这一步设计用来冲洗干净大部分的清洗溶液。再冲洗所用的水,有时被回收用于下一个CIP循环的预冲洗。
毒灭菌:这一步的目的是杀死在清洗步骤未能除去或灭活的细菌。通常采用化学处理或蒸汽加热处理。
最终冲洗阶段:最终冲洗需要使用适宜质量的水以满足产品的质量要求。这一步确保产品接触的表面不含有不可接受水平的化学物质残留。
在许多制药应用,需要对最终冲洗阶段使用过的水进行检测,以确定其为被残留的清洗用化学物质或污垢所污染。测试通常包括监测冲洗用水的电导值,来进一步确保工艺设备被充分清洁。再冲洗过程有时会通过加热来加速干燥。
最终水阶段:这个阶段始于所有排水阀门的开启,从所用的CIP管道低点开始排水。
程序完成:这一步确认所有设备(阀、转料系统和泵)被设置回安全状态,使CIP回路与产品生产过程隔离。

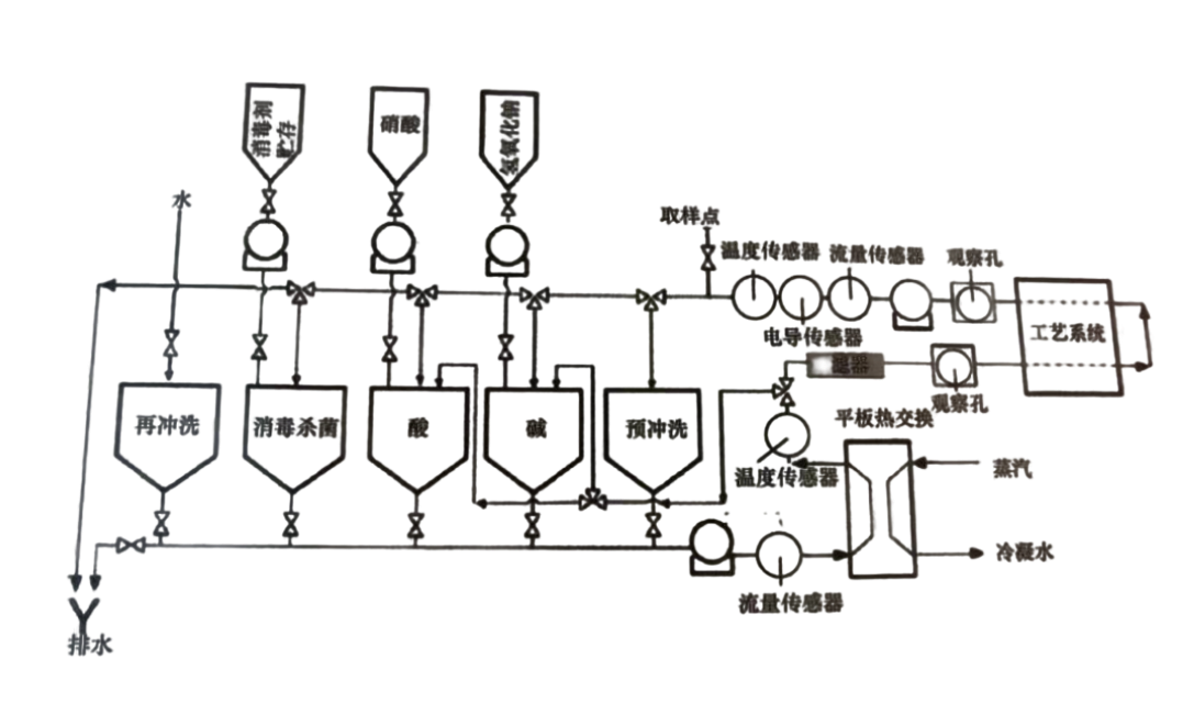
一个典型的CIP系统
以下是一个一次性系统通用的CIP程序。
|
步骤: |
功能: |
|
程序起始 |
确认CIP回路边界和流动控制装置在线并可使用 |
|
预冲洗 |
冲洗去除所有的游离物质 |
|
中间排水 |
回流侧排水,CIP供给侧保持负载状态 |
|
碱洗 |
建立管道循环,加入碱性溶液(65℃ 1%NAOH溶液,10min) |
|
吹气和排水 |
清空CIP管道中的化学物质,排空管路以实现最小体积有效冲洗 |
|
用水再冲洗 |
冲洗管道中用过的碱液 |
|
中间排水 |
回流侧排水,CIP侧保持负载状态 |
|
酸洗 |
建立管道循环,加入硝酸溶液(75℃ 1%HNO3,10min) |
|
吹气和排水 |
清空CIP管道中的化学物质,排空管路以实现最小体积有效冲洗 |
|
用水再冲洗 |
冲洗管道中用过的酸性溶液 |
|
中间排水 |
清空CIP管道中的化学物质,CIP侧保持负载状态 |
|
最终冲洗 |
使用高质量的水冲洗以达到目标终点 |
|
吹气和排水 |
清空CIP管道中的水,排空管线 |
|
最终排水阶段 |
由CIP的最低点进行重力排水 |
|
程序完成 |
阀门、泵回归生产状态 |

经过CIP清洗后的阿法拉伐碟片式离心机内部转鼓